Sostituire con uno Smart Relè Shelly 1 un Relè Finder Tradizionale 26.01 senza modificare i cablaggi dell’impianto elettrico

1 Relè Smart
Da qualche tempo la domotica sta diventando sempre più presente nelle nostre case. Sul mercato sono disponibili dispositivi di ogni tipo, compatti e a prezzi ragionevoli.
I Relè Smart sono proprio i protagonisti di questa rivoluzione domestica, permettendo di aggiungere con poco sforzo funzionalitá smart ad impianti elettrici preesistenti. I Relè smart infatti a seconda della tecnologia (Wifi, ZigBee) e del costruttore (Sonoff, Shelly, Tplink, Bticino Legrand…) possono essere comandati comodamente anche da App su smartphone, assistenti vocali (Google Home, Amazon Alexa…) o tramite automatismi (alba/tramonto, orari fissi, tramite automatismi con altri apparecchi smart, IFTTT…).
2 Shelly 1
Il piccolo Shelly 1 è uno Smart Relè molto versatile e pratico. Uscito sul mercato da poco più di un anno deve la sua longevitá alla sua compattezza (entra benissimo anche dietro un falso polo di una 503), al suo prezzo (poco più di 10€) e alla sua grande versatilitá (può funzionare in corrente alternata 110-220V, o in corrente continua 12V o 30-50V).
A differenza dei suoi rivali legati alla tecnologia ZigBee non ha bisogno di bridge ZigBee-Wifi per essere comandato, basta semplicemente collegarlo alla Wifi di casa senza dover spendere in altri dispositivi.
3 Montaggio dello Smart Relè
se quando accendi e spegni la luce senti un Clak provenire dal muro allora hai un relè
è ormai usuale trovare in ogni casa dei punti luce che possono essere accesi da più pulsanti tramite un relè in alternativa al classico sistema di deviatori (gli interruttori che quando premuti rimangono nella posizione senza tornare indietro con una molla).
Benché l’adozione di Relè Smart sia possibile e documentata anche con impianti a deviatori, la piena funzionalitá del nuovo sistema si potrá avere solo con la sostituzione dei deviatori con pulsanti, con conseguente adeguamento dei cablaggi.
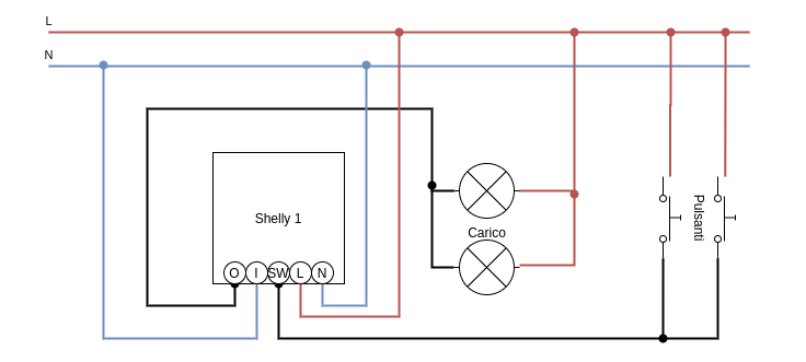
Ecco lo schema di montaggio consigliato dello Shelly 1. In un impianto elettrico nuovo o compatibile è sicuramente il modello da adottare.
4 Montaggio in sostituzione di un Finder 26.01
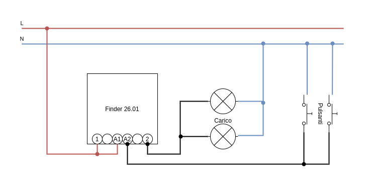
In un impianto preesistente con Relè tradizionali Finder (nello specifico 26.01) le cose possono complicarsi però, come nel mio caso.
Lo smart Relè differisce dal Finder e non consente (apparentemente) una sostituzione immediata e indolore.
La differenza principale è nel cablaggio dei punti luce e quello dei pulsanti, i quali sono raggiunti direttamente dal cavo neutro (blu nello schema Finder), e non dalla fase (rosso, nello schema Shelly 1).
Che fare? Sfilare i cavi dal muro per passare delle fasi? Desistere? Non rispettare i colori dei cavi? Tutte alternative non convincenti ed alcune pericolose.
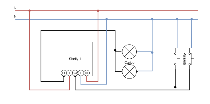
Andando a cercare la documentazione sul fornito sito di Shelly mi sono reso conto che esistono degli accessori come lo Shelly Button che ammettono l’utilizzo di fase e neutro dello Shelly 1 in maniera invertita, come per la maggior parte degli apparecchi elettrici diffusi. Sfruttando questa caratteristica degli apparecchi alimentati in corrente alternata è stato possibile sviluppare uno schema di cablaggio alternativo rispetto al raccomandato che mi permettesse di mantenere l’impianto immutato.
Nello schema sotto riportato si vede come i punti luce e i pulsanti sono rimasti connessi direttamente al cavo neutro, eliminando la necessitá di eseguire modifiche al cablaggio di casa.
Rispetto al classico Relè è richiesto solamente un collegamento ad un neutro, che prima non era necessario (questo perché lo smart Relè per operare deve essere alimentato e in funzione sempre). Di solito questo non costituisce un problema in quanto i Relè per buona norma vengono posti in scatole di derivazione in cui è facile trovare un neutro relativo alla diramazione del carico.
Dove possibile è sempre meglio però andare ad utilizzare lo schema consigliato dal produttore. Utilizzate questo cablaggio a vostra discrezione e sotto la vostra responsabilitá.
5 Accensione!

Una volta collegato è tutto pronto per accendere il nostro Smart Relè Wifi. Il relè da alimentato non avrá spie luminose, ma potremo iniziare da subito a configurarlo tramite l’app per Smartphone.
Il dispositivo crea una rete Wifi che viene automaticamente rilevata dall’App.
Durante il processo guidato di aggiunta dei nuovi dispositivi il consiglio è di disabilitare la rete dati mobile dello smartphone (non il wifi!) in modo da evitare alcuni fastidiosi problemi di connessione. Altra cosa a cui stare attenti è la password della rete wifi a cui i relè si devono collegare (la vostra rete wifi domestica). In caso di password errata non verrá mostrato nessun avvertimento, semplicemente la procedura terminerá senza successo.

6 Avvertenze
Sebbene gli Shelly siano apparecchi sicuri e certificati per operare negli impianti elettrici domestici secondo le norme europee vigenti è sempre necessario far eseguire questi interventi di manutenzione a dei professionisti. Aprire scatole di derivazione, smontare e sostituire componenti e scollegare dei cavi può essere pericoloso e si incoraggia un comportamento prudente. Prima di operare sull’impianto elettrico assicuratevi di aver tolto la corrente. Non vi fidate mai del colore dei cavi, ricontrollate sempre mediante tester multimetro o cercafase.
Lo schema elettrico adottato per lo Shelly non è quello raccomandato. Personalmente l’ho provato in un ambiente controllato numerose volte ma non si risponde di eventuali danni a cose e/o persone.
7 Note di obsolescenza
Da quando è stato scritto l’articolo si sono diffuse una nuova versione di Shelly 1 (la v3) e una nuova linea di Shelly (Shelly Plus). Entrambi promettono sulla carta di risolvere la necessità di dover invertire fase e neutro dei cablaggi rimediando al loro interno. Il mio suggerimento quindi rimane sempre quello di seguire le istruzioni riportate dal costruttore per questi nuovi dispositivi.